当前位置:首页 新闻 行业资讯

热泵集成化大势所趋

特普生科技 特普生科技 2023-05-04 12 1181
一、赛道逻辑:价值量提升三倍 
传统汽车热管理工作模式:夏天空调制冷,冬天动机余热制热,同时发动机内通过油冷器来给发动机降温。单车价值量约为2000元。新能源汽车热管理ASP可提升到6000元左右,可见电动车热管理系统ASP大幅提升至三倍左右。
➢ 新能源汽车没有发动机余热,空调需具备制热功能。
*制热模式:
有PTC和热泵两种,回路增加阀类和PTC等零部件,价值量提升,ASP大约4000-5000元 
电池、电机电控回路
电池回路实现热制&制冷,增加了电池回路,新零部件有chiller,水冷板,阀类,水泵等;电机电控回路制热&制冷,增加了电机电控回路,新零部件有阀类,电子水泵等。
电池&电机电控回路ASP大约在2000-3000元 。电动车热管理需要至少三个小回路,来形成一套更复杂的系统,调节座舱环境温度,并且保障车辆各部件在适宜温度下工作。
二、高复杂,高价值,铸就高壁垒
传统汽车空调制冷,发动机余热实现制热,实现容易。而能源汽车则需要三个回路:电池回路、空调回路、电机电控回路;其中空调回路不仅要制冷,还要完成制热;电池回路,电机电控回路是新增回路,因此有很多增量零部件。

图片

传统汽车空调包含四大核心件:空调箱,压缩机,冷凝器,膨胀阀;新能源汽车的空调回路也主要包含这几个部件,与传统核心零部件保持一致
◼ 空调制冷
传统汽车空调下的压缩机动力来源于发动机,新能源汽车空调制冷主要依靠电动压缩机带动工作,驱动力来自于电池,工作原理同一。
◼ 空调制热
方案一:PTC加热器来完成制热,可简单理解为一个大电阻;
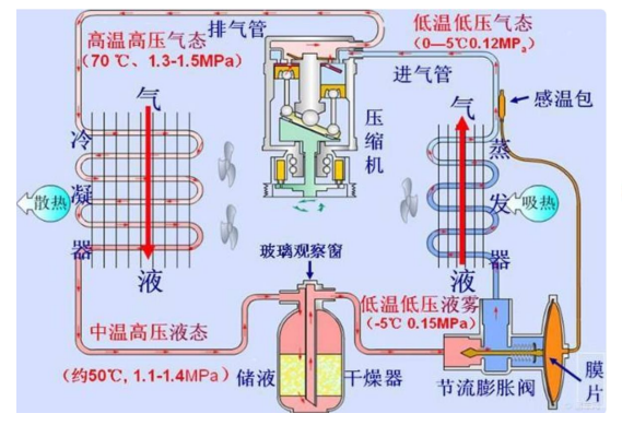
方案二:热泵空调系统,利用四通阀使热泵空调制冷剂流向相反, 改变热量移动方向,达到制热的效果,理论基础来源于热力学逆卡诺循环。

图片

空调系统主要零部件
◼ PTC
PTC是一种电阻加热材料,在通电之后可以恒温发热以达到取暖的目的。在空调系统中用来加热冷媒。目前有两方案:风暖和水暖,水暖的成本高,结构复杂,但相较于风暖更加安全。总体来看,PTC是一种成本低、寿命长、简单的制热方案。但耗电量较高,因此未来将会逐步被热泵取代。

图片

◼ 热泵空调
使用目的是节能降耗,提高续航里程,集制冷与制热为一体,具有结构紧凑、高效、环保等优点。工信部《新能源汽车产业发展规划(2021-2035年)》提到:2025年纯电动乘用车平均电耗将至12KWh/百公里,间接表明热泵空调是必然趋势,逐渐取代PTC。
◼ 四通阀
使热泵空调的蒸发器和冷凝器功能对换,改变热量移动方向,达到制热的效果;由于回路的复杂性,导致 阀类应用更多,原有的阀类供应商在此技术转变中受益。

图片

空调循环系统原理

图片

空调系统的制冷/制热模式由四通换向阀转换
◼ 电池回路
电池回路是增量市场,主要实现对电池冷却、加热以及保持温度均衡等功能;通常期望电池在20℃~35℃的温度范围内工作,能实现车辆最佳的功率输出和输入、最大的可用能量,以及最长的循环寿命。 
* 回路的重要部件:Chiller,电子水泵,水冷板
* 电池回路工作模式:Chiller作为耦合器,把电池回路和空调回路相连,水和冷媒都流入chiller中进行热交换,实现 热量传导。

图片

通过Chiller耦合的电池回路和空调回路

图片

除了水冷,电池还有风冷,直冷两种模式。风冷系统一般适用于续航里程较短、整车重量较轻的情况;或者电动大巴。 直冷是利用空调系统的制冷剂直接冷却动力电池。由于控制策略复杂,难度大,成本高,使用非常少。

图片

电池回路 直冷

图片

主要新能源车型电池冷却技术路径
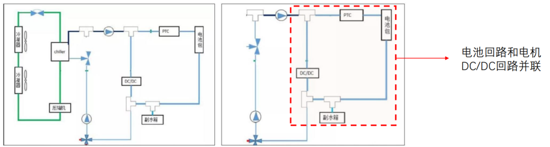
除空调、电池回路外,新能源汽车热管理系统还包括电机电控、DC-DC、OBC、功率半导体元器件的冷却系统,我 们统称为电机电控回路。该回路也属于新的增量部分,一般和电池回路并联,采用水冷;同样需要电子水泵作为动力源,阀类调节流量大小及流向。

图片

三、节省功耗增加续航,热泵系统优势明显
泵技术将会逐渐取代PTC,主要原因是能效比更高,有助于提高续航里程。PTC的COP大约为1,热泵系统的COP大约2,整体热效率是PTC的2倍左右。
热泵技术在-10℃的环境下难以启动,所以有些车厂会在热泵系统里加入小型PTC,在超低温环境中助力热泵的工作。

图片

 PTC和热泵制热数据 
从暖风空调原地实测的结果来看,热泵空调的制热效果更好,温度的爬升要略好过PTC空调,而且耗电量更低,空调原地测 试三十分钟,热泵空调消耗的续航里程要远低于PTC空调。
特斯拉Model Y是最早搭载热泵空调的,Model 3也会改为热泵空调。

图片

国内外热泵空调量产车型

特普生是国家高新技术、专精特新“小巨人”企业。主要研制NTC芯片热敏电阻温度传感器食品温度探针储能线束储能CCS等温度采集产品系列。一体化研制、一致性品质的特普生,竞争力优势明显:自主研制NTC芯片核心技术及实现医用0.3%精度;发明专利(国内12项、美国5项,欧洲1项)、实用新型百项、保留不公开技术2项;为全球新能源产品、大消费品与工业品提供了定制化的温度采集技术。

文章链接:https://www.temp-sen.com/industry/608.html,部分素材来源于网络,若有不适,请及时联系我们删除。

Share
返回
上一篇:国内市场9大NTC温度传感器厂家
下一篇:新能源车热管理第3代:热泵系统加速
相关文章
文章排行榜
回到顶部